Курс рассчитан на конструкторов, которые уже умеют работать в Revit, но хотят глубже изучить лучшие практики армирования различных конструкций. Обучение проводится на ADSK-шаблоне КЖ 2022 (армирование с ключами). В чём отличие от предыдущих версий ADSK-шаблона? Армировать с помощью ключей быстрее и проще! И кто, кроме автора шаблона, может лучше рассказать про это?
Работа ведётся в файле проекта на основе шаблона КЖ для конструкторов: ADSK_RU_Шаблон_КЖ_BIM2B_r2022_v3.0. Работать будем в 2023 версии программы, но подходы и методы работы будут практически одинаковыми для любой версии Revit (2022 и новее). Армирование модели будем вести от простого к сложному.
Для каждого инструмента сначала дадим теорию, а потом испробуем его на практике. Будем работать на примере модели жилого многоэтажного дома с коммерческими помещениями на первых двух этажах (модель создана с помощью копирования/мониторинга из архитектурной модели).
В курсе вы найдёте файл проекта, а также все дополнительные материалы, которые понадобятся для обучения. 
Мы разберем разные способы армирования, а также научимся использовать методы редактирования армирования. Рассмотрим работу с инструментом «Распределенная арматура» («Армирование по площади») на примере построения арматуры для реальных изополей напряжений фундаментной плиты. Сделаем фоновое (основное) армирование.
Поработаем с дополнительным армированием по буквенным и по цифровым осям (по X и по Y). Рассмотрим, как поступать в случае разрыва зоны каким-либо проемом. Также рассмотрим различные нюансы в создании и редактировании «Распределенной арматуры».
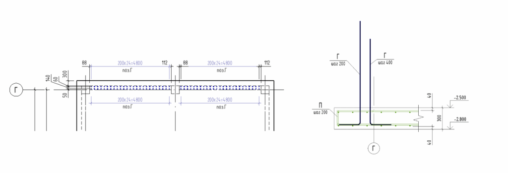
Создадим арматурные детали. Посмотрим разницу создания как формой, так и эскизом построения. Обрамим торец фундаментной плиты П-образными деталями («Пшками»)
Создадим арматурные детали IFC на примере «лягушки». Рассмотрим нюансы данных загружаемых семейств: какие параметры необходимо заполнять, чтобы данные элементы корректно отображались в спецификациях и на видах с определенными фильтрами по конструкциям. 
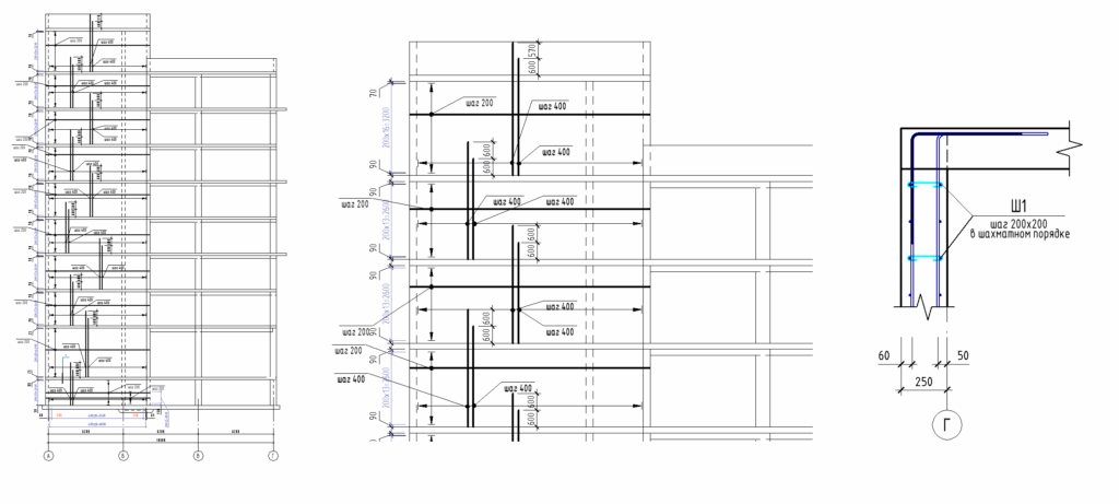
Заармируем стену инструментом «Распределенная арматура». Изучим:
Создадим выпуски арматурных стержней в заармированные стены (инструмент «Армирование по траектории». Рассмотрим:
Досоздадим отгиб арматуры для изменения габарита выпуска в стену.
После выпусков вернемся к стенам и посмотрим, как делать загибы арматурных стержней в зонах армирования и как с помощью данного инструмента создавать детали («Гшки» из стены в другую стену или из стены в плиту перекрытия).
Рассмотрим другой способ армирования стен зонами «По траектории». Скомбинируем два способа «Распределенная» и «По траектории» на стенах. Так же будем соблюдать габариты кратности зон для дальнейшего корректного оформления и правильного количества в спецификациях. Установим шпильки в стену и попробуем сделать их без моделирования всех элементов, но с правильным подсчетом в спецификациях 
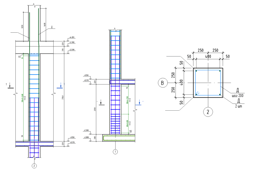
По картинкам изополей напряжений в колоннах попробуем сделать анализ и сделать унификацию армирования по группам колонн. Армировать будем обычными массивами через задание определенной компоновки. Рассмотрим необходимые способы выбора арматуры в конструкции и ее копирования в другие аналогичные колонны с той же маркой. Посмотрим, как распознается основа при различных копированиях и как вернуть ее, если основа сбивается.

Сделаем плоские арматурные каркасы (обычный и в метрах погонных). Сделаем схему каркасов, немного поработаем с шаблонами видов для схемы на перекрытие. Рассмотрим, как в каркасе можно сделать доборный шаг в том же массиве. Рассмотрим, как правильно заполнять параметры для маркировки и корректного отображения каркасов в спецификациях.
Создадим пространственные арматурные каркасы: простой пространственный каркас в виде треугольника в сечении и сложный пространственный каркас, в составе которого присутствуют плоские каркасы. Сделаем схему каркасов. Рассмотрим, как в случае сложных пространственных каркасов назначать ключи к различным стержням и как правильно заполнять параметры для маркировки и корректного отображения каркасов в спецификациях.
Создадим закладные детали (IFC арматура) для обрамления проема приямка. Также создадим несколько закладных в колоннах, чтобы посмотреть, как правильно выставлять параметры в данных элементах. 
Рассмотрим спецификации на армирование конструкции на примере фундаментной плиты (Спецификация на арматуру, ведомость расхода стали, ведомость деталей).
Рассмотрим спецификации на отдельные элементы, такие как каркасы и закладные элементы. Сделаем схему каркаса. Изучим групповые спецификации на изделия из арматуры.
Рассмотрим различные дополнительные спецификации. Их особенности и способы наложения друг на друга для отображения по ГОСТ. 
Благодаря полученным знаниям, у вас не возникнет сложностей в армировании Ж/Б конструкций в ваших проектах. Удачи в работе!